Типовые схемы модулей SEMIKRON

Модули SEMIKRON имеют довольно большой перечень схем, на основании которых построены модули различных линеек

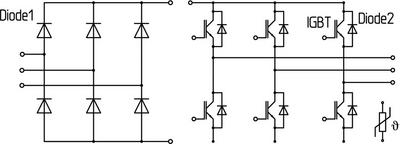
По типу кристаллов и структуре различают следующие группы:

IGBT

Схема

Линейки

Схема

Линейки

Схема

Линейки

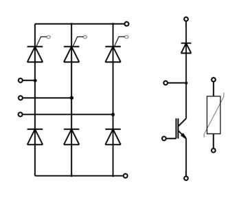
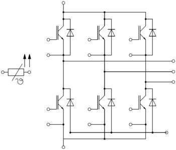
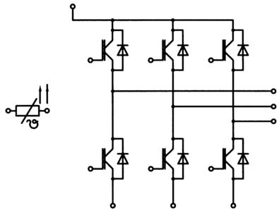
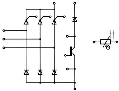
GA-схема

GA

GA(3)-схема

GA(3)

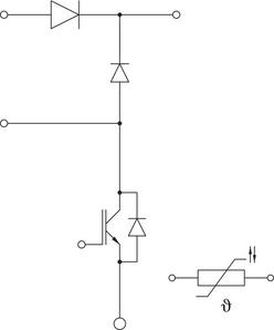
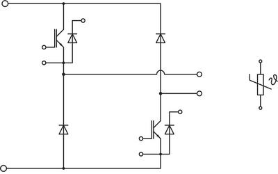
GB-схема

GB

GB-T-схема

GB-T

GB-T-схема

GB-T

GM-схема

GM

GBD-схема

GBD

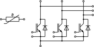
GB-shunt-схема

GB-shunt

GAL-схема

GAL

GAL(3)-схема

GAL(3)

GAR-схема

GAR

GAR(3)-схема

GAR(3)

GAE-схема

GAE

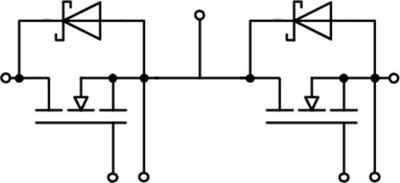
MLITOP-switch-схема

MLITOP-switch, MLIT-T

MLIBOT-switch-схема

MLIBOT-switch, MLIB-T

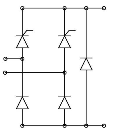
GARL-схема

GARL

GARL-T-схема

GARL-T

DBB-T-схема

DBB-T

MLI-схема

MLI

MLI-T-схема

MLI-T

TMLI-shunt-схема

TMLI

GAH-схема

GAH

GAH-T-схема

GAH-T

GARL-E-схема

GARL-E

GALE-T-схема

GALE-T

BGLL-TBP-схема

BGLL-TBP

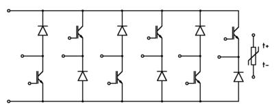
GH-схема

GH, GH-F

GH-T-схема

GH-T

GD-схема

GD

GD-T-схема

GD-T

GD-E-схема

GD-E

GBB-T-схема

GBB-T

GD-ET-схема

GD-ET

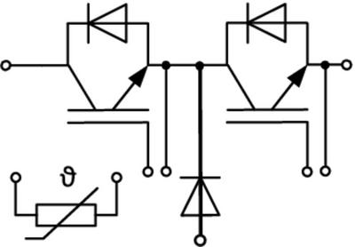
AC-схема

AC

AC-схема

AC

AC-схема

AC

GD-ET-схема

GD-ET

GAD-T-схема

GAD-T

GHL-T-схема

GHL-T

BGD-ET-схема

BGD-ET

NEB-схема

NEB

NEB-схема

NEB

NEC-схема

NEC

HEB-схема

HEB

NAB-схема

NAB

NAB-схема

NAB

NAC-схема

NAC

NAC-схема

NAC

DGDL-ET-схема

DGDL-ET

DGDL-T-схема

DGDL-T

DGD-T-схема

DGD-T

DGD-ET-схема

DGD-ET

ACC-схема

ACC

3-TMLI-схема

3-TMLI

Готовые решения

Схема

Линейки

Схема

Линейки

Схема

Линейки

GB (2)

GB (2) с драйвером

GB (3)

GB (3) с драйвером

GB (4)

GB (4) с драйвером

GB (6)

GB (6) с драйвером

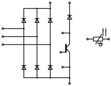
GD

GD с драйвером

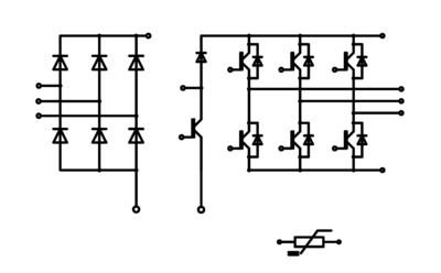
HV

HV IGBT

HV

HV IGBT

LV

LV MOSFET

LV

LV MOSFET

Full SIC модули

Схема

Линейки

Схема

Линейки

Схема

Линейки

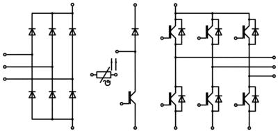
MB-схема

MB

MB-схема

MB

MB-T-схема

MB-T

KDD-схема

KDD

MH-T-схема

MH-T

MLLE-схема

MLLE

MLET-схема

MLET

MAHT-схема

MAHT

ACM-схема

ACM

ACM-схема

ACM

ACM-схема

ACM

ACM-схема

ACM

Hybryd SIC модули

Схема

Линейки

Схема

Линейки

Схема

Линейки

GB-схема

GB

GB-схема

GB

GAR-T-схема

GAR-T

GLLE-T-схема

GLLE-T

GD-схема

GD

AC-схема

AC

MOSFET модули

Схема

Линейки

Схема

Линейки

Схема

Линейки

MA-схема

MA

MB-схема

MB

MH-схема

MH

MBBB-схема

MBBB

Диодные и тиристорные модули

Схема

Линейки

Схема

Линейки

Схема

Линейки

SKKE-схема

SKKE

SKET-схема

SKET

SKKD-схема

SKKD, KD

SKKH-схема

SKKH, KH

SKKL-схема

SKKL

TAE-схема

TAE

TAA-схема

TAA

SKKT-схема

SKKT, KT

SKMT-схема

SKMT

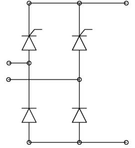
KQ-схема

KQ

WT-схема

WT

UT-схема

UT

UT-T-схема

UT-T

BZ-схема

BZ

STA-схема

STA

Выпрямительные мосты

Схема

Линейки

Схема

Линейки

Схема

Линейки

B, SKB

B, SKB

SKBH

SKBH

SKBT

SKBT

SKBZ

SKBZ

SKCH

SKCH

DBI, SKB, D, SKD

DBI, SKB, D, SKD

DH, SKDH

DH, SKDH

DH-T

DH-T

DT, SKDT

DT, SKDT

DGL

DGL

ANB, SKD

ANB, SKD

ANB

ANB

DHL

DHL

SKDH

SKDH

AHB

AHB